Tikalon Header

Functional Materials Discovery

September 12, 2022

Corporate research laboratories started on their path to oblivion in the 1990s when Bell Laboratories and the IBM Watson Research Center lost their guaranteed funding and entered into their big contractions. The CEOs of other large corporations saw this as a call to do the same for their research centers. From that time, corporate scientists needed to focus their research on near-term ideas that would benefit particular products. I was working as a corporate scientist during those times, and the time spent in writing research proposals and reports caused a reduction in the time spent doing useful research.

One easy way to justify our existence was to have our cost paid by external funding from military and government agencies. At one meeting, our vice president of research said that each of his scientists should have a goal of getting a million dollars in external funding annually. My reply was that if I could get a million dollars a year like that, I should be working for myself, and not for the corporation.

Prize fighters use fancy footwork to gain a competitive advantage. Our fancy footwork was to rename whatever we were doing to make it sound more impressive. Our materials science group became the Functional Materials Team to emphasize both the idea that our materials were quite different from the zinc used to cast toy cars; and, that we worked closely together according to the Total Quality Management (TQM) business model popular at that time.

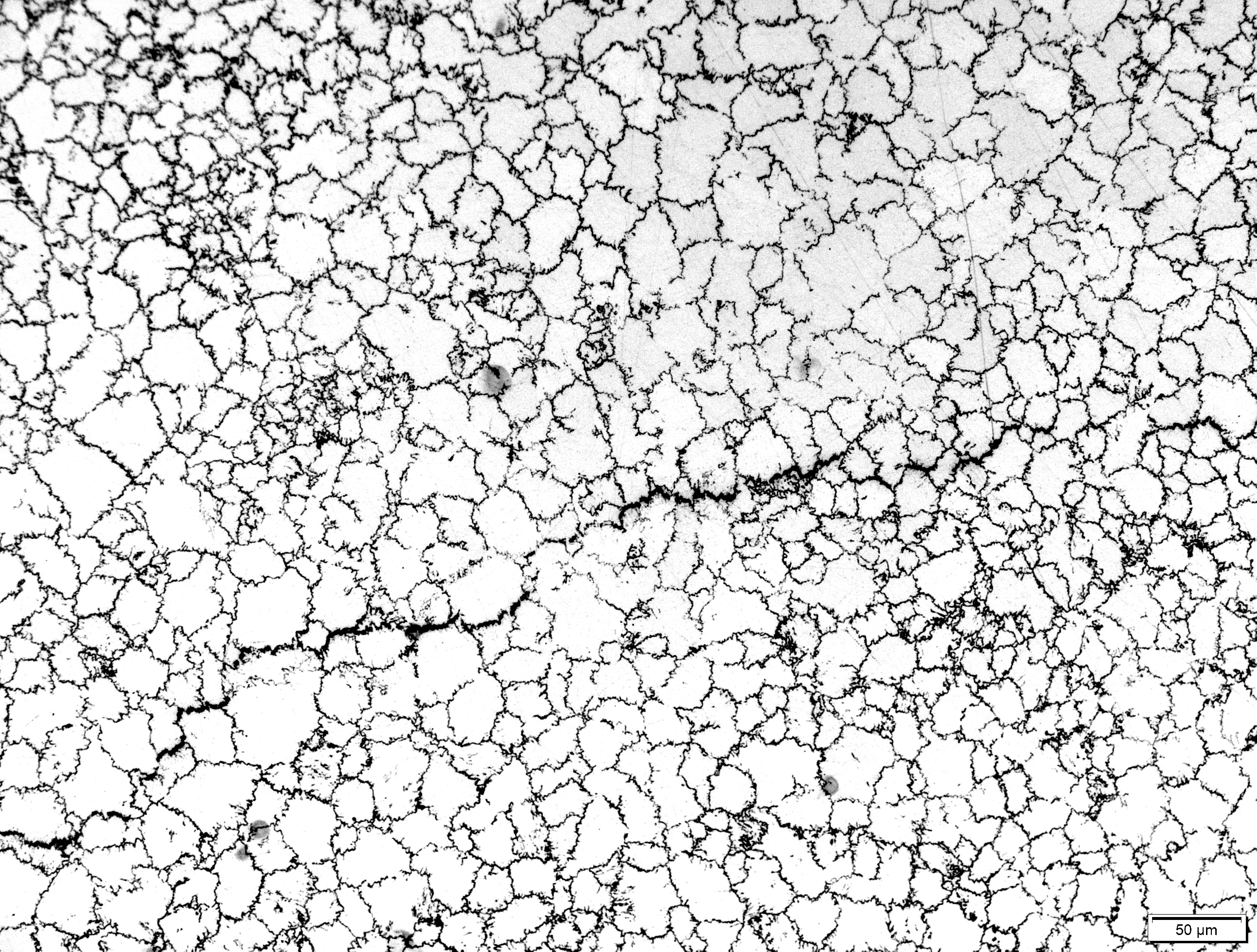
Photomicrograph of zinc pest.

Photomicrograph of a cut and etched section of a zinc pest corroded model locomotive, circa 1938. The width of the image corresponds to 750 μm.

Zinc is used to die cast many types of toys, since it is an inexpensive metal (today, about $3/kilogram) with a low melting point of 420 °C and low toxicity. However, the presence of the common impurity, lead, in toys manufactured through the mid-20th century leads to a corrosion called zinc pest, caused by formation of a brittle phase at the grain boundaries. Zinc castings made after 1960 use pure zinc and do not have this problem.

Zinc pest is different from tin pest, which is cause by a slow phase transformation of tin from the ref="https://en.wikipedia.org/wiki/Ductility">ductile and metallic β-Sn to the brittle and nonmetallic, α-Sn below the relatively high temperature of 13.2 °C (about 56 °F)

(Contrast-enhanced Wikimedia Commons image. Click for larger image.)


Functional materials respond to some external stimulus to do something useful. Crystals for solid state lasers were one of our research materials, and they're a significant example of a functional material. I also developed magneto-optical materials for fiberoptic sensors, and phosphors for many applications. Today, functional materials enable photovoltaic panels, while their companion non-functional, but still useful materials provide the lightweight and durable composites used in wind turbine blades.

A recent paper posted to arXiv by materials scientists from the University of California (Santa Barbara, California) and the National University of Singapore (Singapore) examines historical examples of functional material discovery and the scientific breakthroughs that they have enabled.[1] The first synthesis of these materials was usually a result of curiosity-driven research quite unlike the short-term point of view of much of today's research; and, typically, the utility of the material's functionality lags its discovery by many decades.[1] Examples of this are conducting polymers, topological insulators and electrodes for lithium-ion batteries.[1]

In some cases, functionality is achieved in a well-known compound by a change in morphology, as when it's produced on a nanoscale, such as the formation of graphene from graphite, and the creation of quantum dots from semiconductors, as from Cadmium sulfide.[1] At times, the functionality of a material exists in an area unrelated to the original motivation for its synthesis, an example being lithium cobalt oxide (LixCoO2), originally studied in the 1950s for its unusual magnetic properties but later becoming an important cathode material for rechargeable lithium-ion batteries.[1]

As I wrote above, much materials research is now conducted with a specific goal; and, unfortunately, very few major breakthroughs are made under such restrictions.[1] Fortunately, some materials are discovered by accident by scientists in their research for something entirely different, but they were curious enough to follow-up on their unexpected finding.[1] Such discovery of materials by serendipity is extremely rare, but an often cited example is the discovery of Teflon®(poly-tetrafluoroethylene) by Dupont's Roy Plunkett (1910-1994) in the 1930s.[1]

Teflon tape

Teflon® plumber's tape is one of the more widely used articles made from Teflon.

As I learned from a technician, you should wrap the Teflon tape clockwise around the pipe thread. In that way, the addition of the companion female pipe fitting won't unwrap the tape as it's twisted on in a clockwise direction.

(Portion of a Wikimedia Commons image by Cjp24.)


Plunkett and his colleagues were doing research on new refrigerants, and they were working with tetrafluoroethylene gas stored in a metal gas cylinder. After months of such storage, Plunkett found zero gas pressure in the cylinder, but the cylinder still weighed as much as its pressurized state. Curious to see what had happened, Plunkett cut the cylinder open and discovered that the inside was coated with polymerized tetrafluoroethylene with the very useful properties that we enjoy today.[1]

The majority of breakthroughs in materials science involve the application of compounds that were already known and were repurposed for a new application.[1] TiNb2O7 was first identified at the Batelle Research Institute in the early 1950s as a material with potential applications for nuclear reactors.[1] It took sixty years for TiNb2O7 to find its place as an anode for lithium ion batteries.[1]

Polyacetylene was first synthesized in 1866, but it wasn't until the 1970s that its potential as the material for the first organic light-emitting diode (OLED) was discovered.[1] As shown in the figure, there's typically a lag of many decades between the initial synthesis of a material and its subsequent applications.[1] Future materials scientists will likely find important functionalities in the materials just synthesized today.

Delayed impact of material utility

Aged like a fine wine - Delay from the initial synthesis of a material to its discovered functional utility. The green bulb marks the year in which the key discovery of the particular material's functionality was published. Nobel Prizes are indicated by a red laurel wreath with subsequent work marked by the blue dots. (Fig. 2 of ref. 1.[1] Click for larger image.)


The authors of the arXiv article presented some general conclusions on the discovery of useful materials, one of which is the general failure of the combinatorial synthesis approach that's been ongoing for three decades.[1] Their other conclusions are as follow:[1]
•   Since many of the most important materials were first synthesized out of curiosity, or for an entirely different application, it's important that this process should continue.

•  Material property databases will continue to play key roles in both experimental and material discovery by computational chemistry. In my own work, I made frequent use of the NIST-JANAF Thermochemical Tables, first in book form, and later online.[2-3]

•  Such material databases will become increasingly important in the artificial intelligence/machine learning approaches to material discovery.

•  Science funding agencies need to continue their funding of curiosity-driven material synthesis to provide a pool of new materials for future functional material discovery.
The arXiv authors cite some emerging new materials application among recently reported novel compounds and compounds that have been known for many years.
•  The recently-discovered Kagome lattice material, CsV3Sb3, has been found to be a Z2 topological metal with a superconducting ground state.[4]

•  The compound (NH4)3Bi2I9, a halide perovskite photovoltaic proposed as a candidate for lead-free photovoltaic cells, has been found to have potential as a sensitive X-ray detector.[5]

•  The NaSICON materials, first reported in 1968, are becoming important in the development of sodium ion batteries.[6]

References:

  1. Anthony K. Cheetham, Ram Seshadri, and Fred Wudl, "Chemical Synthesis and Materials Discovery," arXiv, July 14, 2022.
  2. M W. Chase, "NIST-JANAF Thermochemical Tables, 4th Edition," Journal of Physical and Chemical Reference Data Monographs (American Institute of Physics, August 1, 1998).
  3. NIST-JANAF Thermochemical Tables, NIST Standard Reference Database 13, DOI: 10.18434/T42S31.
  4. Brenden R. Ortiz, Samuel M. L. Teicher, Yong Hu, Julia L. Zuo, Paul M. Sarte, Emily C. Schueller, A. M. Milinda Abeykoon, Matthew J. Krogstad, Stephan Rosenkranz, Raymond Osborn, Ram Seshadri, Leon Balents, Junfeng He, and Stephen D. Wilson, "CsV3Sb3: A Z2 topological Kagome metal with a superconducting ground state," Phys. Rev. Lett. vol. 125, no. 24 (December 11, 2020), https://doi.org/10.1103/PhysRevLett.125.247002.
  5. Renzhong Zhuang, Xueji Wang, Wenbo Ma, Yuhao Wu, Xu Chen, Longhua Tang, Haiming Zhu, Jiyong Liu, Lingling Wu, Wei Zhou, Xu Liu and Yang (Michael) Yang, "Highly sensitive X-ray detector made of layered perovskite-like (NH4)3Bi2I9 single crystal with anisotropic response," Nature Photonics, vol. 13 (2019), pp. 602-608, https://doi.org/10.1038/s41566-019-0466-7.
  6. Shuangqiang Chen, Chao Wu, Laifa Shen, Changbao Zhu, Yuanye Huang, Kai Xi, Joachim Maier and Yan Yu, "Challenges and Perspectives for NASICON-Type Electrode Materials for Advanced Sodium-Ion Batteries," Advanced Materials, vol. 29, no. 48 (December 27, 2017), Article no. 1700431, https://doi.org/10.1002/adma.201700431.