Tikalon Header

Smectic Martensite

May 5, 2016

One phenomenon with which every graduate student is familiar, independent of his field of study, is the fact that professors will selectively emphasize in their teaching the topics with which they are most interested, or most familiar. That's why my graduate course in physical metallurgy had several lectures devoted to Ostwald ripening; and, why a course I had in fracture mechanics had far too much information about martensite, and the martensitic transformation. I wrote about Ostwald ripening in an earlier article (Is Religion becoming Extinct?, April 1, 2011).

As you've likely guessed, martensite is named after its discoverer, the German metallurgist, Adolf Martens (1850-1914). Martensite usually refers to an extremely hard form of steel possessing an unique crystal structure, but the term is often used to describe other alloys formed by a martensitic transformation, a transformation forced to happen so quickly that the atoms in the material can't diffuse into an equilibrium state. For this reason, martensite is is not an equilibrium phase; so, it does not appear on an equilibrium phase diagram (see figure).

Figure captionNo Martensite here.

The iron-rich portion of the iron-carbon phase diagram.

(Modified Wikimedia Commons image by Christophe Dang Ngoc Chan.)

(Click for larger image.)

As the iron-carbon phase diagram above shows, Fe3C (iron carbide, cementite) is an equilibrium phase formed when the austenite (γ) phase is cooled below about 700°C. If the cooling is too rapid, the carbon atoms are not able to diffuse through the solid to form cementite. Instead, they're locked into the face-centered cubic lattice of austenite, which transforms into a highly strained body-centered tetragonal form of ferrite. Ferrite, as the phase diagram again shows, shouldn't have that much carbon, so it's supersaturated with carbon and, therefore, metastable.

Having too much carbon in a phase not capable of containing it is like trying to put a square peg into a round hole, so something has to give. In this case, the material deforms, creating a large number of dislocations, and dislocations give steel its strength. Martensitic steel can be nearly twice as hard as pearlitic steel.

Since martensite is metastable, it will be lost with application of higher temperature. A common steelmaking technique is to create a steel with too much martensite, then annealing it to produce enough martensite for the intended application. If martensite is so hard, why would you want to remove it? Hard materials are also brittle, so you want your steel to be just hard enough, and not too brittle. That's why martensite was a topic in my fracture mechanics course.

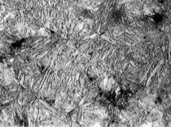
Metallograph of martensitic steel with 0.35% carbonMetallograph of martensitic steel with 0.35% carbon, water-quenched from 870°C.

(Via Wikimedia Commons.)

The grain structure of martensite appears also in smectic-phase liquid crystals. In a recent paper in Physical Review Letters, physicists from Cornell University (Ithaca, New York) have shown a connection between the smectic microstructure, with its ordered patterns of geometrically perfect ellipses and hyperbolas, and martensite.[1-2]

This type of microstructure arises when nature needs to fill a three-dimensional space with conic sections under a specific set of boundary conditions.[1] Interestingly, there's a similarity between the mathematics required for this and the mathematics of special relativity involved with Lorentz transformations.[1]

The Cornell research team, led by physics professor, James Sethna, calls smectic liquids "the world's weirdest martensite."[1-2] Their computer modeling research made use of the extraordinary processing power available from the graphics processing unit (GPU) integrated circuits normally used to speed graphics for video games. They developed a clustering algorithm that demonstrated the similarity in the formation of the smectic liquid crystal and martensite microstructure.[2]

Says Sethna,
"This has been this puzzle for many years, and it finally has a suitably beautiful explanation... It ties together ideas from special relativity, and ideas from martensites, to explain this whole puzzle. It's aesthetically beautiful... there's a little bit of Euclidean geometry for those people who actually went to geometry class. It's like, 'Ellipses and hyperbolas, I remember those.' And you pour this (smectic) liquid and it forms these things."[2]
Smectic microstructureI would like to have this abstract art image hanging on my wall.

This is actually a simulation of a smectic microstructure.

(Cornell University image by the James Sethna Lab.)

The inspiration for this discovery came from an observation more than a century ago by the French physicist Georges Friedel. In 1910, Friedel found that a fluid having equally spaced layers of molecules will form ellipses and hyperbolas.[2] In filling three-dimensional space, concentric, equally spaced spheres will form a point defect at the center. Another class of geometrical figures, the cyclides of Dupin, will fill space with only ellipses and hyperbolas as defects. Friedel deduced the structure of his fluid by making the connection to the cyclides of Dupin.[2]

Ring cyclide generated by an inversion of a torusRing cyclide generated by an inversion of a torus.

This image was generated in 2005, so you can see how far computer graphics has advanced since that time, aided by more powerful computers and GPU chips.

(Wikimedia Commons image by Xah Lee.)

Says Sethna, "Now we know that these cool cyclides follow the same rules as the crystals that fit together into martensitic steel."[2] This research was funded by the U.S. Department of Energy and the Simons Foundation.[2]

References:

  1. Danilo B. Liarte, Matthew Bierbaum, Ricardo A. Mosna, Randall D. Kamien, and James P. Sethna, "Weirdest Martensite: Smectic Liquid Crystal Microstructure and Weyl-Poincaré Invariance," Phys. Rev. Lett., vol. 116, no. 14 (April 8, 2016), article no. 147802, DOI:http://dx.doi.org/10.1103/PhysRevLett.116.147802.
  2. Daryl Lovell, "Weirdest martensite’: Century-old smectic riddle finally solved," Cornell University Press Release, April 14, 2016.
  3. Eric W. Weisstein, "Cyclide." From MathWorld--A Wolfram Web Resource.